掃描電子顯微鏡二次電子圖像性質
日期:2022-05-25
二次電子是相對于入射電子的一種提法。它是指被高能入射(也稱為一次或初次)電子束轟擊出來的試樣中的核外電子。由于原子核和外層價電子間的結合能很小,當原子的核外電子從入射電子那里獲得大于相應的結合能后,就可脫離原子核的約束而成為自由電子。如果這種脫離過程發生在試樣表面和亞表面層,那么這些能量大于材料逸出功的電子就可以從試樣表面逸出,就成為二次電子。
二次電子主要是來自于距試樣表面1~10nm之間深度的亞表面(試樣表面0~1nm之間深度發出的電子主要為俄歇電子),二次電子能量在0~50eV之間,平均能量約30eV,所以這些二次電子能很好地顯示出試樣表面的微觀形貌。由于入射電子僅經過幾納米的路徑,還沒有被多次反射和明顯擴散,因此在入射電子照射的作用區內產生的二次電子區域與入射束的束斑直徑差別不大,所以在同一臺電鏡中二次電子像的分辨能力最高。二次像的分辨力優于背散射像,背散射像的分辨力優于吸收電流像,吸收電流像的分辨力優于陰極熒光像。目前場發射和鎢陰極電鏡的二次電子像的分辨力都能分別優于1.0nm和3.0nm。一般情況下,掃描電鏡的指標中所提及的圖像分辨力,若沒有特別說明,都是泛指二次電子像的分辨力。
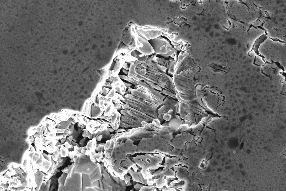
二次電子的發射率隨原子序數的變化不是很明顯,如圖a所示,它主要取決于試樣的表面形貌。它是入射電子與試樣中核外電子碰撞,使試樣表面的核外電子被激發出來所產生的電子。當這些代表試樣表面結構特征的電子被相應的探測器收集后作為掃描電鏡的成像信號,其所成的像就稱為二次電子像。二次電子像的襯度主要取決干試樣表面與入射電子束所構成的傾角,而對于表面有一定形貌的試樣,其形貌被看成由許許多多與入射電子束構成不同傾斜角度的微小形貌,如凸點、尖峰、臺階、平面、凹坑、裂紋和孔洞等細節所組成。
這些不同細節的部位發出的二次電子數各不相同,從而產生亮暗不一的襯度。由于二次電子的能量小,用 E-T探測器檢測時,僅需在其前面的柵網上加幾百伏的正電位,最常施加的電位為+250~+300V,即通過該電位就可把試樣上發射出來的大部分二次電子吸引過來,所以二次電子像的陰影效應不明顯。在二次電子探測器所對應的立體角內也能接收到相應的一小部分背散射電子,所以在二次電子像中也包含了一小部分背散射電子的信息,如圖b中對應的背散射電子成分像的一些襯度信息也能在圖a中反映出來,只不過圖a中所顯現的原子序數的襯度沒有像圖b中那么明顯而已。

圖a 金屬破碎區域二次電子圖像
二次電子的能量低,受局部電場的影響變化大,如圖a所示的顆粒在電子束的照射下因充了負電子而發白,在這發白的顆粒周圍感應了正電荷,而感應了正電荷的區域導致二次電子的發射量減小,使顆粒周圍明顯變暗。由于二次電子像分辨力高、陰影效應不明顯、景深深、立體感強,所以它是掃描電鏡中最主要的成像方式。它特別適用于觀察和分析起伏較大的粗糙面,如金屬、陶瓷和塑料等材料的斷口,所以在材料學科中掃描電鏡得到了廣泛應用。
以上就是澤攸科技小編介紹的掃描電子顯微鏡二次電子的圖像性質。秉承操作便捷、快速成像、性能穩定的設計目標,澤攸科技自主研發了ZEM15臺式掃描電鏡,更多關于掃描電鏡價格的問題
作者:澤攸科技
